新闻动态
安博体育在线注册,安博体育(中国)
安博体育在线注册,安博体育(中国)
关于我们
公司简介
在线反馈
联系我们
产品展示
全部
传感器/变送器
流量计系列
液位/料位系列
阀门/执行装置
液压/气动元件
检维修工器具
化验/分析仪器
其他机电仪产品
新闻动态
全部
行业知识
企业新闻
资料下载
客户案例
新闻动态
推荐
热门
最新
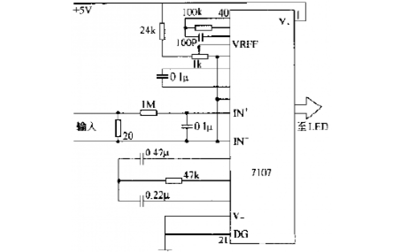
QWF-L6系列积算指示仪的改进
QWF-L6系列积算指示仪的改进
2022-10-05
安博体育在线注册,安博体育(中国)
上一页
1
下一页
转至第
首页
产品
新闻
联系
OD体育在线注册
|
时博体育App下载
|
开云平台
|
九游网页版登录入口
|
乐投在线平台
|
乐动网页版登录入口
|
开云平台
|
安博网页版登录入口
|
九游在线平台
|