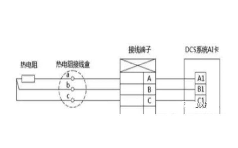
控制室内检查安全栅输入输出端,对接线端子接触情况进行排查, 发现现场信号端出现故障,判定现场信号问题。检查现场热电阻 接线盒, 测量该热电阻阻值, 发现 TISA_8051A 热电阻的 A、B、C 三线全部处于断路状态, TISA_8051B 热电阻的 A 线与 B、C 两线之间为断路状态,判断为机组内的现场热电阻导线损坏断裂, 导致两温度点失灵,触发联锁动作。
2024-05-22 安博体育在线注册,安博体育(中国)
温度显示波动检修案例PT100
2023-09-05 安博体育在线注册,安博体育(中国)
压缩机、泵负荷试车方案
2023-08-03 安博体育在线注册,安博体育(中国)
轴向位移及轴瓦温度的监控知识分享
2023-06-12 安博体育在线注册,安博体育(中国)
通过案例分析轴瓦温度在汽轮机中的应用
2023-04-25 安博体育在线注册,安博体育(中国)
汽机运行监控要点知识分享
2023-04-18 安博体育在线注册,安博体育(中国)
化工装置开车DCS调试全过程知识分享
2023-02-28 安博体育在线注册,安博体育(中国)