新闻动态

  • 小汽机前轴承双金属温度计指示为负原因分析

    该温度是测量小汽轮机前轴承温度,量程 0~150℃,70℃报警,75℃跳车,与92TE-009二取二联锁,容易引起跳车。 所以平时巡检维护应作为重点仪表检查对待。在线检修时一定要按规定办理联锁切除票和检修工作票。

    2024-12-02 安博体育在线注册,安博体育(中国)

  • 仪表浮筒压力开关误动作故障排查

    21变换工段联锁跳车,经查SOE记录的跳车原因为21XV-002电磁阀失电导致变换跳车,报警动作是E-2103液位低,液位开关21LS007/21LS008一分钟内先后触发低低联锁,同时21XV-002阀门关阀,触发变换紧急停车联锁。

    2024-12-02 安博体育在线注册,安博体育(中国)

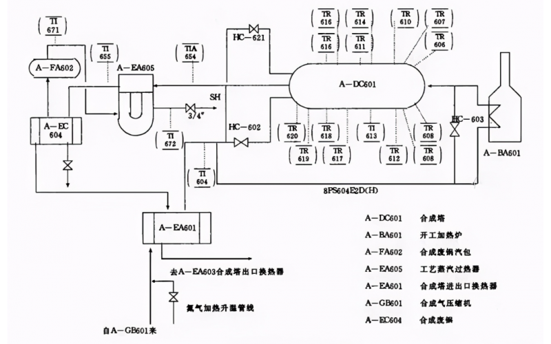
  • 废锅虚假液位原因分析

    当汽包压力突降时,炉水饱和温度下降到对应压力下的饱和温度,炉水因此放出大量热量进行蒸发,炉水内的汽泡增加,汽水混合物体积膨胀,导致水位上升,形成虚假水位。

    2024-11-29 安博体育在线注册,安博体育(中国)

  • 单气缸蝶阀工作原理

    单气缸蝶阀主要由气动执行器(包括气缸、活塞等部件)、蝶阀本体(包括阀体、阀杆、蝶板等部件)以及其他附件(如法兰、密封件等)组成。

    2024-11-29 安博体育在线注册,安博体育(中国)

  • 单气缸蝶阀卡涩案例及故障处理

    顺控停止后,仪表人员第一时间到现场进行排查处理。查看顺控条件主控画面上显示阀关条件满足,31FT-WHY-Q任然有几万方的氮气量指示。经现场检查发现31FV-WHY-Q阀门未完全关到位,阀门定位器报故障,因阀位反馈为接近式阀位开关以感应到反馈杆。所以排除了流量计指示错误的问题。故重点对阀门进行排查。

    2024-11-29 安博体育在线注册,安博体育(中国)

  • 阀体和阀盖最常用的材料

    有多种材料可供选择,以满足阀门在不同工况条件下的需求。在选择材料时,应将其与部件的功能联系起来。例如,阀体(阀体和阀盖)的材料可能与阀杆(关闭件、阀座和阀杆)的材料不同,这样可以实现最佳的经济寿命和性能。本文将重点介绍阀体和阀盖最常用的材料,包括青铜、铸铁和不锈钢。

    2024-11-27 安博体育在线注册,安博体育(中国)

  • 阀门的材质选择要求

    一些典型的材料特性包括强度、耐磨性、热膨胀性、耐腐蚀性和抗蠕变性。关键的材料特性差别很大,取决于所考虑的阀门部件

    2024-11-27 安博体育在线注册,安博体育(中国)

  • 如何选择正确的控制阀材料

    第一步是材料选择过程,这也是最困难的部分。造成控制阀组件损坏的原因有很多,包括侵蚀、粘合剂磨损、闪蒸、气蚀、腐蚀、极端温度等。这些挑战中的几个往往同时发生,因此识别和了解每个问题非常重要。

    2024-11-27 安博体育在线注册,安博体育(中国)

首页
产品
新闻
联系