电气设备在正反工作时,电动机的运行不太正常的故障分享
2022-10-09 安博体育在线注册,安博体育(中国)电气
搅拌电机不启动,但PLC有输出,继电器灯也亮的故障案例分享
油净化加热KWZK-KKG80系列可控硅介绍
2022-10-08 安博体育在线注册,安博体育(中国)
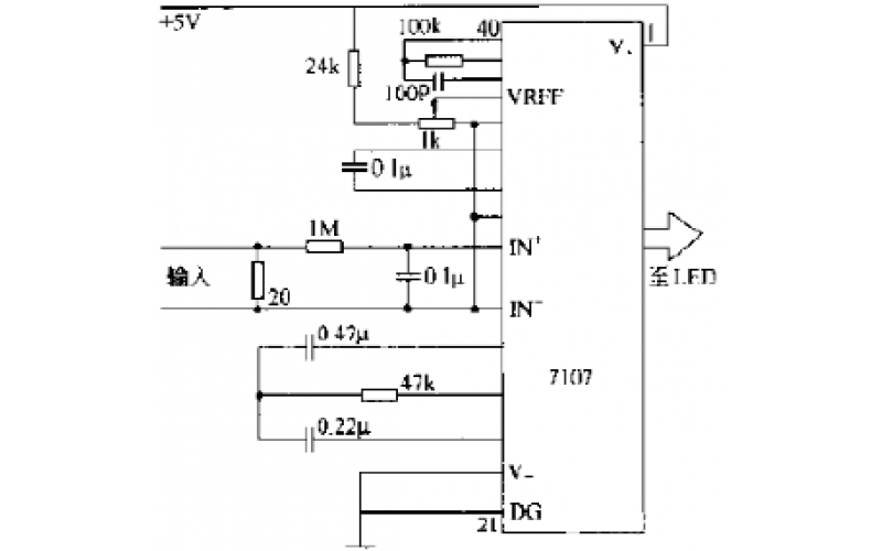
KW-K100系列开方器小信号切除故障分享
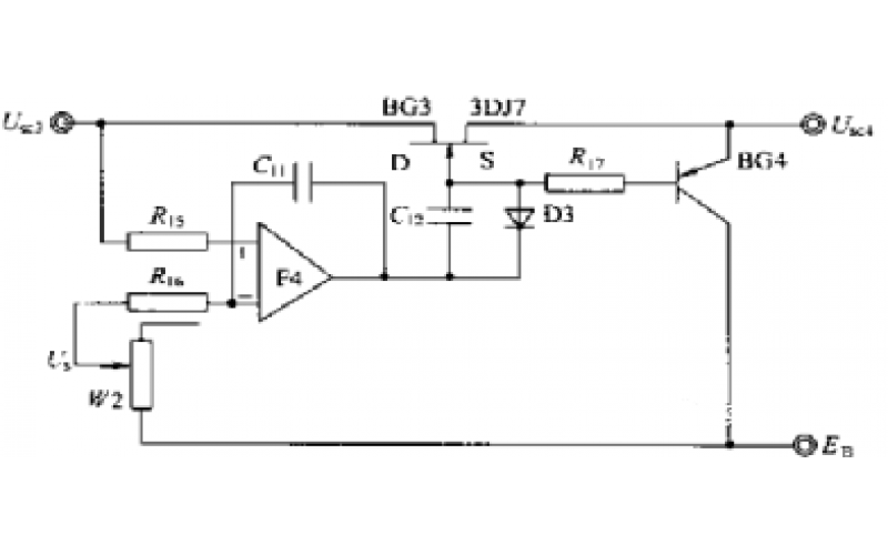
KWZK-ZSY50系列开方积算器的检修分享
横向干扰对电YAG-S系列流量计的影响
2022-10-05 安博体育在线注册,安博体育(中国)
QWF-L6系列积算指示仪的改进
电动累积器故障分析