在HMI上显示PLC代码流程的方法分享
2023-05-10 安博体育在线注册,安博体育(中国)
为何控制系统需要信号隔离器?
2023-05-09 安博体育在线注册,安博体育(中国)
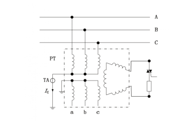
微机消谐装置消谐原理知识分享
主变中性点绝缘方式及倒闸操作
这是锅炉点火知识
2023-05-08 安博体育在线注册,安博体育(中国)
输送带掉矿原因分析及解决措施知识分享
应急重力滑行装置在副井提升机的应用知识分享
某锅炉1-4号角EF和F和FI层二次风门远方无法操作FBT6检查方法
2023-05-06 安博体育在线注册,安博体育(中国)