新闻动态

  • 电机双重联锁正反转控制知识分享

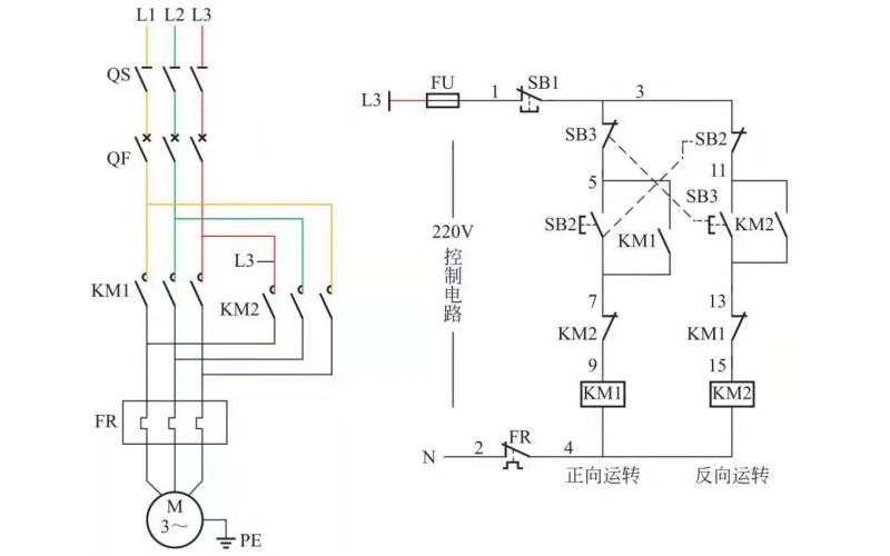
    电机双重联锁正反转控制知识分享

    2022-04-28 安博体育在线注册,安博体育(中国)电气

  • 带式输送机及MKD-CE系列逆止器知识介绍

    MKD-CE系列逆止器是提升运输设备上的安全保护装置,能防设备停机后因负荷自重力的作用而逆转。适用于提升带式输送机、斗式提升机、刮板提升输送机等有逆止要求的设备。提升倾角超过4°的带式输送机带负荷停机时会发生输送带逆向转动甚至断裂或其他机械损坏,因此为防止重载停机时发生倒转故障,一般要设置逆止器或制动装置。输煤系统中常用的制动器有:电动液压推杆制动器、滚柱式逆止器、带式逆止器、楔块逆式止器等。

    2022-04-23 安博体育在线注册,安博体育(中国)设备

  • 电能表知识说明介绍

    电能表又称电度表,它是一种用来计算用电量(电能)的测量仪表。电能表可分为单相电能表和三相电能表,分别用在单相和三相交流电路中。

    2022-04-18 kwzk安博体育在线注册,安博体育(中国)自控

  • 接触器互锁正反转电路知识

    合上控制回路熔断器FU,电路具备启停条件。电动机主回路中增加了过载保护(热继电器FR)。电动机过载时,热继电器FR动作,FR的动断触点断开,接触器KM断电释放,KM的三个主触点同时断开,电动机断电停止运转。

    2022-04-16 kwzk安博体育在线注册,安博体育(中国)自控

  • 液压控制技术在旋回破碎机中的应用知识(KWZK安博体育在线注册,安博体育(中国)自控)

    旋回破碎机经常会出现过铁超载等工况,造成主轴、动锥剧烈运动。针对上述情况,应用液压泵控制主轴升降,应用液压平衡缸保护动锥,应用液压保护系统防止过铁损伤设备。液压控制技术在旋回破碎机上的应用证明,该技术具有响应速度快、容易实现过载保护等特点,降低了设备故障率,提高了设备作业率。

    2022-04-15 安博体育在线注册,安博体育(中国)

  • KWZK安博体育在线注册,安博体育(中国) 水泵的维护及保养知识

    为了保证水泵的安全运行,水泵在启动前必须对机组做全面仔细的检查,以便发现问题及时处理。

    2022-04-13 安博体育在线注册,安博体育(中国)

  • 电动机及用电设备线路的维护知识

    为保证安全可靠、优质和经济合理的用电,做好用电设备的维护,故障处理及检修是十分重要的。着重介绍电动机和配电线路的检修与维护。

    2022-04-13 安博体育在线注册,安博体育(中国)

  • DX-5KL系列齿轮泵的故障维修知识介绍

    齿轮泵结构很简单,工艺性比较好,制造成本也不高,与其他同流量的泵类相比较,齿轮泵体积最小,但是它的自吸性能很好,无论在高速还是低速,甚至是用手转动的时候,都能够可靠地实现自吸,又因为它的转速范围大,不易咬死,所以广泛地应用在工作环境不是很清洁的工程机械或是精度要求不高的机床。

    2022-04-12 安博体育在线注册,安博体育(中国)

首页
产品
新闻
联系